6月24日,贵阳市自然资源和规划局发布关于三马组团改茶单元SM-03-03、SM-03-07地块细则控制性详细规划方案批前公示。


两宗地块总用地面积为95.66公顷,规划总建筑容量178万方,总人口为18700人。
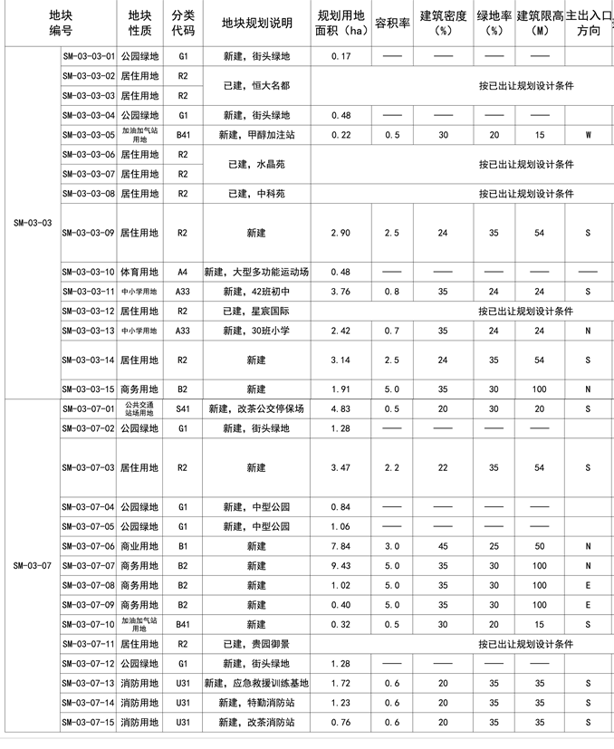
据了解,SM-03-03地块位于三马组团改茶单元中部,总用地面积37.46公顷,其中城市建设用地面积33.77公顷,规划总建筑量68万方,居住人口13000人,综合容积率2.01。
地块共分为15宗小地块,其中居住用地8宗,中小学用地2宗,公园绿地2宗、体育用地、商务用地、加油加气用地各1宗。
在居住用地中,已建设有恒大名都、水晶苑、中科苑、星宸国际,其余2宗小地块则为新建,详情如下:
SM-03-03-09地块用地面积2.9公顷,容积率2.5,建筑密度24%,绿地率35%,建筑限高54米。地块要求兼容10%商业,配建小型多功能运动场地、9班幼儿园、老年人日间照料中心、卫生服务站等公建设施;
SM-03-03-14地块用地面积3.14公顷,容积率2.5,建筑密度24%,绿地率35%,建筑限高54米。地块要求兼容10%商业,配建卫生服务中心、6班幼儿园等公建设施;
而SM-03-03-11、13地块为中小学用地,将分别新建42班初中、30班小学。

SM-03-07地块位于三马组团改茶单元西南角,总用地面积58.2公顷,其中城市建设用地面积52.2公顷,规划总建筑量110万方,居住人口5700人,综合容积率2.11。
地块共分为15宗小地块,其中公园绿地4宗,分别建设2个中型公园和2个街头绿地;
商务用地3宗,均为新建,最高建筑高度为100米,要求配建100个非机动车停车位;
消防用地3宗,建设内容分别为应急救援训练基地、特勤消防站、改茶消防站;
居住用地2宗,其中SM-03-07-11地块已建贵园御景,SM-03-07-03地块为新建,规划用地面积3.47公顷,容积率2.2,建筑密度22%,绿地率35%,建筑限高54米。要求兼容5%商业,配建小型多功能运动场地、9班幼儿园、老年人日间照料中心、卫生服务站等公建设施;
商业用地、公共交通站场用地、加油加气用地各1宗,其中商业用地新建大型生鲜超市,公共交通站场用地则新建改茶公交停保场。
从地块规划图可以看出,两宗地块交通较为便利,可享受马王路、同城大道、改茶大道三条交通路网,便利通往云岩、南明、观山湖等区域,同时SM-03-03地块北部距离地铁2号线改茶路站较近,步行即可抵达。但南部区域、SM-03-07地块则距离地铁站约1.5公里左右。
在商业、医疗配套方面,两宗地块周边现无大型商业配套,地块周边有贵州省第三人民医院、阳光和谐医院、贵阳市云岩区第二人民医院等。
来源:贵阳市自然资源规划局
编辑:李华莹
统筹:胡家欢
编审:刘文强





